返回>>
福州束控科技帶你走進超聲波板材檢測的黑科技!【大禹電子】
1. 需求概述
通過公司超聲波木質板材缺陷檢測傳感器來檢測人造板材是否存在缺陷,如鼓包、中空、裂紋、接合不良。現場工況概述如下:
1、 輸送線寬度1300mm,滾輪間距凈尺寸135mm,滾輪軸到軸200mm;
2、板材尺寸:長度L=2440或1220mm;寬度W=1220mm;厚度H=8mm(基板8mm,鋁皮0.3,膠層厚度在0.03-0.04mm,總厚度在8.33-8.34mm);
3、輸送速度可調,約2.5張/分鐘,約0.1米/秒
設備現場圖片


解決方案說明
1.解決方案示意圖

2. 傳感器布置圖

說明:
A. 板材寬度W=1220mm,傳感器布置10對;
B. 每對傳感器端面間距離L1=100mm;
C. 傳感器之間間距約L2=94mm,頭尾傳感器距板材邊緣約47mm
3. 解決方案說明
A. 傳感器根據檢測板材質量情況輸出開關量信號,輸出信號可以接到報警指示燈,檢測到不良品時輸出開關量信號進行聲光報警;
B. 傳感器采用固定支架安裝,人造板在傳感器之間;每對傳感器之間端面間距約60-120mm;
4. 產品主要技術資料
工作方式:對射
工作電壓:直流 18V-30VDC
檢測范圍:20-120mm;理想值:90-110mm
換能器頻率:70KHz±10%
顯示方式:
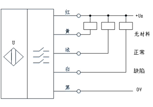
LED 燈藍色:無材料
LED 燈綠色:正常
LED 燈紅色:缺陷
空載電流:<80mA
滿載電流:3×100mA
24V 功耗:24V×100mA=2.4W
響應/關斷延時:15ms 左右
阻抗:≥4KΩ
輸出信號:3 個開關量輸出,NPN 常開
工作溫度:-20-60
NPN輸出接線圖:

5. 設備清單

合作服務流程及質保
福州束控科技有限公司承諾:超聲波木質板材缺陷檢測傳感器的質量保證期為設備到貨現場14個月或設備投運后一年,二者以后到為準。
質保期內服務:質保期內,福州束控科技有限公司免費對設備、系統出現的各種質量缺陷、故障(非買方人員操作所致)予以更換、修復,負責解決相關的技術問題,進行人員培訓等。并免費提供以下服務:
技術咨詢服務:為業主解決安裝、系統配置及設備在使用過程中遇到的各種技術問題。認真回答買方的技術咨詢,留下服務電話,征詢買方意見。
福州束控科技有限公司承諾在質保期滿后,終身將以優惠的價格為買方提供所需的備品備件,指導并協助買方解決好本系統出現的技術問題。
在設備出現故障時,福州束控科技有限公司人員在2小時內提出解決方案。
大禹電子產品主要四大類:工控儀表、工業傳感器、海洋設備、超聲波換能器。產品應用場景:超聲波測距,監測水位/流速/流量/泥位/水深等,水下通信/定位/避障。
上一條
告別腐蝕損壞!超聲波IP68水位計,精準測量背后的秘密!【大禹電子】
下一條
現場直擊:專業技術團隊如何破解香港窖井流量計量難題【大禹電子】
QQ:2187169532
手機:18050180580
郵箱:2187169532@qq.com
地址:福建省福州市晉安區福興經濟開發區紅光路11號E座





