返回>>
DYA-70-03B防腐型換能器B型
名稱:70KHz防腐型換能器B型
型號:DYA-70-03B
量程:0.3~3m
工作溫度:-40~+80℃
頻率:70KHz±5%
工作電壓:峰值電壓<1500Vpp
本產品適用于:超聲波液位計,監控,防撞,安防
全國熱線
0591-28082552
產品詳情
一、換能器的主要技術指標
項目 | 技術指標 | 實物圖片 |
名稱 | 70KHz防腐型換能器B型 |
|
型號 | DYA-70-03B | |
頻率 | 70KHz±5% | |
建議量程 | 0.3~3m | |
最小阻抗 | 500Ω±20% | |
電容量 | 900pF±20% @1KHz | |
靈敏度 | 空載驅動電壓:300Vpp,距離0.6m, 回波幅度80mV | |
工作電壓 | 峰值電壓<1500Vpp | |
工作溫度 | -40~+80℃ | |
壓力 | ≤3公斤或者0.3MPa | |
角度 | (波束寬度)半功率角@-3dB:10°±10%, 銳度角:23°±10% | |
外殼材質 | PVDF | |
用途 | 超聲波液位計,監控,防撞,安防 | |
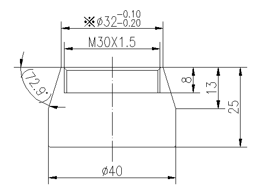
安裝尺寸 | 詳見產品結構圖 | |
防護等級 | IP68 | |
重量 | 68g±5%(線長:25cm) | |
接線說明 | 一體式接口:紅:換能器+,白:換能器-,黑:屏蔽線,(默認不帶溫度傳感器) | |
二、換能器的導納曲線圖

三、換能器產品結構圖

上一條
DYA-70-03A普通型換能器A型
下一條
80KHz普通型換能器E型(DYA-80-04E)
產品中心
聯系我們
全國咨詢熱線:0591-28082552
QQ:2187169532
手機:18050180580
郵箱:2187169532@qq.com
地址:福建省福州市晉安區福興經濟開發區紅光路11號E座







