返回>>
DYA-49-08HB普通型換能器
名稱:49KHz普通型換能器
型號:DYA-49-08HB
量程:0.25~6m
工作溫度:-40~+80℃
頻率:50±2KHz
工作電壓:峰值電壓<750Vpp
本產品適用于:超聲波液位計,監控,防撞,安防
全國熱線
0591-28082552
產品詳情
一、換能器的主要技術指標
項目 | 技術指標 | 實物圖片 |
名稱 | 49KHz普通型換能器 |
|
型號 | DYA-49-08HB | |
頻率 | 50±2KHz | |
建議量程 | 0.25~6m | |
最小阻抗 | 200Ω±20% | |
電容量 | 4000pF±20% @1KHz | |
靈敏度 | 驅動電壓:500Vpp,距離0.6m, 回波幅度100mV | |
工作電壓 | 峰值電壓<750Vpp | |
工作溫度 | -40~+80℃ | |
壓力 | ≤3公斤或者0.3MPa | |
角度 | (波束寬度)半功率角@-3dB:9°±10%, 銳度角:21°±10% | |
外殼材質 | 黑色POM | |
用途 | 超聲波液位計,監控,防撞,安防 | |
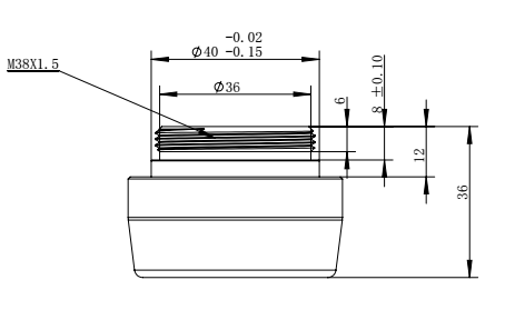
安裝尺寸 | M38*1.5 | |
防護等級 | IP68 | |
重量 | 80g±5% | |
接線說明 | 接口(3PIN,2.54mm端子):紅正,白負,黑屏蔽線; | |
二、換能器的導納曲線圖

三、換能器產品結構圖

上一條
DYA-49-08H普通型換能器H型
下一條
DYA-64-05A-F普通型換能器A型
產品中心
聯系我們
全國咨詢熱線:0591-28082552
QQ:2187169532
手機:18050180580
郵箱:2187169532@qq.com
地址:福建省福州市晉安區福興經濟開發區紅光路11號E座







